云开体育官方网站登录·(中国)官网入口

新闻动态

  • 变频器多段速怎么用?

    在我们工厂里,大部分设备都不能只靠一种转速运行,送料、运行、出料、定位这些工序,往往需要不同的速度。如果每次都手动去调变频器频率,不仅麻烦,还容易出错,也不适合自动运行的设备。这个时候,变频器的多段速功能就派上用场了,它可以提前设置好几档固定的转速,只要给一个信号,就能直接切换,操作简单,运行也稳定。

    2026-03-13 云开体育官方网站登录·(中国)官网入口

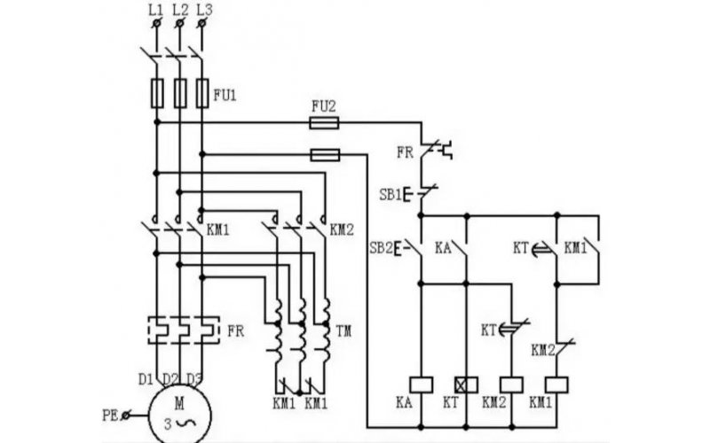
  • 热继电器和马达综合保护器应如何选择?

    热继电器是一种基于电流热效应工作的保护装置,通过监测电流变化来触发动作,通常用于过载保护。其主要优点包括结构简单、价格低廉,但缺点也很明显:

    2025-01-03 云开体育官方网站登录·(中国)官网入口

  • 热继电器如何整定?

    热继电器的整定是指根据电动机的额定电流,调整热继电器的整定电流,使其在电动机过载时能够及时动作,从而起到保护作用。以下是热继电器整定的具体方法和步骤:

    2025-01-03 云开体育官方网站登录·(中国)官网入口

  • 不用任何工具也能查到电气设备故障原因

    我走到操作室,首先查看励磁柜,也没有报警显示的呀,调试一下励磁装置也正常。

    2024-10-18 云开体育官方网站登录·(中国)官网入口

  • 压力表、压力开关、数字仪表的调校注意事项

    调校前准备 ①检查被校仪表外观,铭牌应完整、清楚,并注明型号、规格、位号等,应标记高、低压容室,表涂层完好、无锈蚀,内部零部件完整无损,无影响使用和计量性能的缺陷。

    2024-08-23 云开体育官方网站登录·(中国)官网入口

  • 常用低压电器的安装与调试

    常用低压电器的安装与调试

    2023-08-15 云开体育官方网站登录·(中国)官网入口

  • 电机的重载和轻载保护值,你还在乱设吗?是有规矩的,看完就懂了

    电机的重载和轻载保护值,你还在乱设吗?是有规矩的,看完就懂了

    2023-08-11 云开体育官方网站登录·(中国)官网入口

  • 关于电气自锁、互锁和联锁电路知识分享

    关于电气自锁、互锁和联锁电路知识分享

    2023-06-13 云开体育官方网站登录·(中国)官网入口

上一页12下一页 转至第
云开体育官方网站登录·(中国)官网入口
产品
新闻
联系